Sponsored

pantera155

Badlands
Well-Known Member
First Name
Pantera
Joined
Oct 16, 2025
Threads
6
Messages
129
Reaction score
221
Location
Argentina
Vehicle(s)
Bronco BADLANDS 2025
Given the success we're having on the forum with the projects, and thanks to the friends who help make them happen, we're starting a new project!

Ford designed the BS with ambient lighting... But to save money, they never installed it!

The brackets on both the right and left sides are factory-installed.
In theory, it would just be adding the lights, wiring them, and run Fordscan.

But we know theory never works!

The lamp has three wires. Two are 12V (+) and -. The other is LIN. The only thing I need to know is where the LIN wire connects to the BCM.

I think you have to look for it in the Maverick circuit that comes with ambient lights.

Thanks, rugedraw!

Ford Bronco Sport Ambient Lighting install / enabling - DIY project lamp2


Ford Bronco Sport Ambient Lighting install / enabling - DIY project photo_2026-04-16_13-20-27


Ford Bronco Sport Ambient Lighting install / enabling - DIY project photo_2026-04-16_13-20-24


Ford Bronco Sport Ambient Lighting install / enabling - DIY project photo_2026-04-16_13-20-19
 
Last edited by a moderator:

Stircrazy

Outer Banks
Well-Known Member
First Name
Steve
Joined
Aug 25, 2024
Threads
12
Messages
523
Reaction score
700
Location
BC, Canada
Vehicle(s)
2023 Bronco sport
Given the success we're having on the forum with the projects, and thanks to the friends who help make them happen, we're starting a new project!
Ford designed the BS with ambient lighting... But to save money, they never installed it!
they did install it on the OB trim level. what I am choked about is that it is only blue and not multicolor. it also lights up the door handles as well as the footwell.
 

lil moe

Outer Banks
Well-Known Member
First Name
Angela
Joined
Jan 4, 2025
Threads
6
Messages
171
Reaction score
277
Location
San Antonio Tx
Vehicle(s)
2025 Bronco Sport OuterBanks, 17 Jeep Renegade Desert hawk
they did install it on the OB trim level. what I am choked about is that it is only blue and not multicolor. it also lights up the door handles as well as the footwell.
What? I have a OB, and never knew. Now I have to look and see if my stuff is blue. Also can you show me how it’s supposed to look?
 

North_of_49

Outer Banks
Member
First Name
Glenn
Joined
Mar 30, 2026
Threads
1
Messages
13
Reaction score
14
Location
Edmonton AB Canada
Vehicle(s)
Bronco Sport
I’m curious about this as well. I have a 2025 OBX and as far I know I don’t have ambient lighting like my ‘14 Escape Titanium had which was also multi color.
 

DonImbimbo

Badlands
Well-Known Member
First Name
Don
Joined
Apr 20, 2021
Threads
7
Messages
61
Reaction score
122
Location
Wellsboro, PA
Vehicle(s)
2021 Ford Bronco Sport
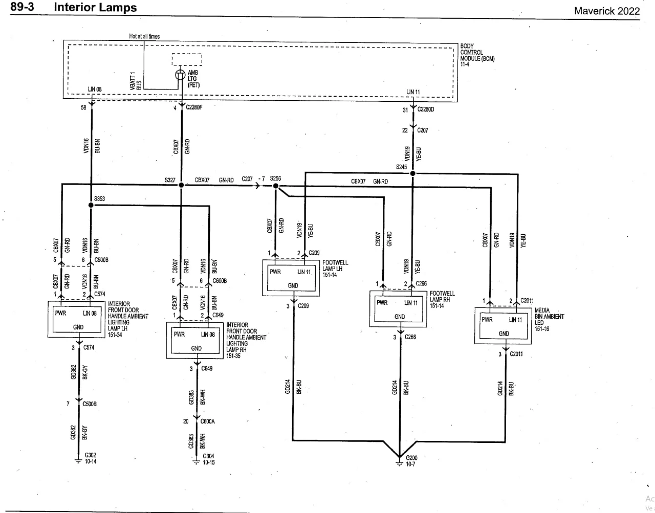
The wiring diagrams I have show the Cup holder, and foot well lights connect to the BCM C2280D on pin 31, which they call LIN11

All three LIN lines are tied together on splice S207, that's in the main harness somewhere.


Given the success we're having on the forum with the projects, and thanks to the friends who help make them happen, we're starting a new project!
Ford designed the BS with ambient lighting... But to save money, they never installed it!

The brackets on both the right and left sides are factory-installed.
In theory, it would just be adding the lights, wiring them, and run Fordscan.

But we know theory never works!

The lamp has three wires. Two are 12V (+) and -. The other is LIN. The only thing I need to know is where the LIN wire connects to the BCM.
I think you have to look for it in the Maverick circuit that comes with ambient lights.
Thanks, rugedraw!
 


Timon.Arg

Badlands
Well-Known Member
First Name
Sebastian
Joined
Mar 21, 2026
Threads
6
Messages
53
Reaction score
124
Location
Argentina
Website
www.qrz.com
Vehicle(s)
Bronco Sport 2026
OP
OP
pantera155

pantera155

Badlands
Well-Known Member
First Name
Pantera
Joined
Oct 16, 2025
Threads
6
Messages
129
Reaction score
221
Location
Argentina
Vehicle(s)
Bronco BADLANDS 2025
they did install it on the OB trim level. what I am choked about is that it is only blue and not multicolor. it also lights up the door handles as well as the footwell.

Thank you so much!
I didn't know why the OB model was never sold here!
I'm going to make one, but with RGB LEDs.
 
OP
OP
pantera155

pantera155

Badlands
Well-Known Member
First Name
Pantera
Joined
Oct 16, 2025
Threads
6
Messages
129
Reaction score
221
Location
Argentina
Vehicle(s)
Bronco BADLANDS 2025
The wiring diagrams I have show the Cup holder, and foot well lights connect to the BCM C2280D on pin 31, which they call LIN11

All three LIN lines are tied together on splice S207, that's in the main harness somewhere.
Thank you so much for your help! I've already bought the lights! Now I just have to wait for them to arrive and start putting everything together!
 
OP
OP
pantera155

pantera155

Badlands
Well-Known Member
First Name
Pantera
Joined
Oct 16, 2025
Threads
6
Messages
129
Reaction score
221
Location
Argentina
Vehicle(s)
Bronco BADLANDS 2025


Timon.Arg

Badlands
Well-Known Member
First Name
Sebastian
Joined
Mar 21, 2026
Threads
6
Messages
53
Reaction score
124
Location
Argentina
Website
www.qrz.com
Vehicle(s)
Bronco Sport 2026
Very thanks!
I understand that ml3z14a318b is blue and FL3Z14A318N is RGB.

I bought FL3Z14A318N to see if I can make it multicolored!

https://ford.oempartsonline.com/oem-parts/ford-wiring-assembly-interior-lamp-fl3z14a318n
Great, really appreciate you taking the lead and sharing the process.
It’s a very interesting mod. I’ll wait to see how it performs once you’ve fully tested it, and then I’ll probably follow the same path. (me voy a copiar, jaja)

Thanks for documenting everything.
 

rugedraw

Badlands
Well-Known Member
First Name
Javier
Joined
Jul 13, 2025
Threads
3
Messages
482
Reaction score
912
Location
Miami, FL
Vehicle(s)
2023 BS Badlands/2021 F150 Platinum 4x4 EB/1991 Mustang 5.0 coupe
I was not able to find splice S207 in PTS, but the connector that @DonImbimbo mentioned C2280B does mention ambient lighting in some of the pins. It mentions postive and negative for the ambient light sensor, but no mention of the LIN: See attached; it is located here:

Ford Bronco Sport Ambient Lighting install / enabling - DIY project 1776462844582-
 

Attachments

Last edited:

Stircrazy

Outer Banks
Well-Known Member
First Name
Steve
Joined
Aug 25, 2024
Threads
12
Messages
523
Reaction score
700
Location
BC, Canada
Vehicle(s)
2023 Bronco sport
The wiring diagrams I have show the Cup holder, and foot well lights connect to the BCM C2280D on pin 31, which they call LIN11

All three LIN lines are tied together on splice S207, that's in the main harness somewhere.
ya they dropped the cupholer some time before 2023, but I heard you can orderer one from a escape and install it. in some later broncos they removed the conector that used to power the cupholder.
 

Stircrazy

Outer Banks
Well-Known Member
First Name
Steve
Joined
Aug 25, 2024
Threads
12
Messages
523
Reaction score
700
Location
BC, Canada
Vehicle(s)
2023 Bronco sport
What? I have a OB, and never knew. Now I have to look and see if my stuff is blue. Also can you show me how it’s supposed to look?
the pocket where you open the door fromt he inside glows and the footwells. I'll try grab a pic on my way to work tonight if its dark enough
Sponsored

 
 







Top